[Next]
[Previous] [Up] [Top] [Contents] [Back]4.4 Network Medium
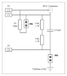
The coax medium uses a front-panel BNC connector, or is connected via the VMEbus P2 connector. The following circuit diagram applies to the coax interface on the CC121.
 
Figure 4-8 Coax Interface

[Next]
[Previous] [Up] [Top] [Contents] [Back]
